Rubber Dust Boots Fits 5/8” 3/4” 14mm 16mm For Male Rod End

Rubber Dust Boots Fits 5/8” 3/4” 14mm 16mm For Male Rod End

Regular price $10.00 Sale

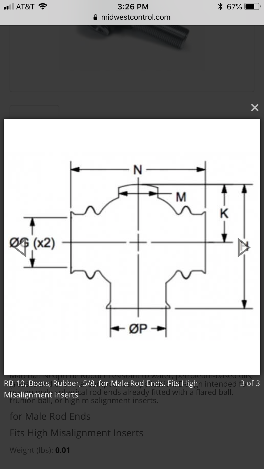
These are quality rod end dust boots. They are made to fit the thinner and smaller Heim Joint or Ball Joint with approximately 1.6" high. Please see last picture with the dimensions listed below. They are great to keep the dirt and water out of your rod ends. They will also help keep the grease in the ball joint and keep them from drying up in the open. These rubber boots will also help to muffle some noise from the ball joint. Made in USA.

Dimensions:

Fits smaller 1.6” ball joint or Heim joint

Fit standard bolt and pin opening 5/8”, 3/4”

Fit metric bolt and pin opening 16mm, 18mm

Please see last picture on this listing for dimensions below:

Standard measurements (inches):

G: 0.570, H: 1.625, K: 1.750, M: 0.484, N: 1.860. P: 0.595

This sale is for one piece. I will ship worldwide.